STM32F051C8T6TR MCU Datasheet, Pinout, Price
ARM®-based 32-bit MCU, 16 to 64 KB Flash, 11 timers, ADC, DAC and communication interfaces, 2.0-3.6 V
STM32F051C8T6TR Overview
Packaged in a 48-LQFP format, this MCU is available in a compact size. There are 39 I/Os on the Microcontroller. It is important to note that the Microcontroller has a Surface Mount mounting type. 32-Bit core is the basis for this Microcontroller. This program has a type of memory called FLASH for this MCU's program memory. Temperatures in this range are operated by this Microcontroller. The STM32F0 series includes this electrical component. There is 64KB 64K x 8 bytes of program memory in MCU, which corresponds to the size of the program. With a ARM® Cortex®-M0 Core processor, MCU is equipped with the latest technology available. This is a MICROCONTROLLER, RISC uPs/uCs/Peripheral IC. During the manufacturing process, 48 terminations were applied to the IC chip. 32-bits are used in Microcontroller. The MCU chip's supply output is 2.4V volts. Currently, MCU chip has YES DMA channels. 64kB memory size belongs to the Chip part. Alternatives can be found by looking at the base part number STM32F05. In the case of 48MHz frequency operation, it can perform efficiently. There are YES PWM channels on the device. The chip has 48 pins. The clock has 8 timers/counters to keep track of the time. This device is embedded with a CORTEX-M0 processor family, which is a powerful and efficient CPU. With ARM core architecture, it offers high performance. A total of 13 ADC channels are present in this device.
STM32F051C8T6TR Alternatives
STM32F051C8T6TR CAD-Model
Symbol

Footprint

3D-Model

STM32F051C8T6TR Pinout


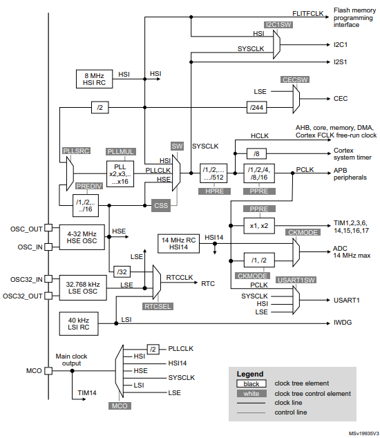
STM32F051C8T6TR Diagram

clock tree

STM32F051C8T6TR Applications
STM32F051C8T6TR Circuit
STM32F051C8T6TR equivalent
WHAT is the equivalent of STM32F051C8T6TR?
STM32F051C8T6TR Package outline
LQFP48 package information LQFP48 is a 48-pin, 7 x 7 mm low-profile quad flat package.
STM32F051C8T6TR Features
STM32F051C8T6TR STM32F030C8T6TR STM32F072C8T6 STM32F030C8T6 MK10DX64VLF5
The STM32F051xx microcontrollers incorporate the high-performance ARM® Cortex®-M0 32-bit RISC core operating at up to 48 MHz frequency, high-speed embedded memories (up to 64 Kbytes of Flash memory and 8 Kbytes of SRAM), and an extensive range of enhanced peripherals and I/Os. All devices offer standard communication interfaces (up to two I2Cs, up to two SPIs, one I2S, one HDMI CEC and up to two USARTs), one 12-bit ADC, one 12-bit DAC, six 16-bit timers, one 32-bit timer and an advanced-control PWM timer.
The STM32F051xx microcontrollers operate in the -40 to +85 °C and -40 to +105 °C temperature ranges, from a 2.0 to 3.6 V power supply. A comprehensive set of powersaving modes allows the design of low-power applications.
The STM32F051xx microcontrollers include devices in seven different packages ranging from 32 pins to 64 pins with a die form also available upon request. Depending on the device chosen, different sets of peripherals are included.
These features make the STM32F051xx microcontrollers suitable for a wide range of applications such as application control and user interfaces, hand-held equipment, A/V receivers and digital TV, PC peripherals, gaming and GPS platforms, industrial applications,
PLCs, inverters, printers, scanners, alarm systems, video intercoms and HVACs.
STM32F051C8T6TR Features
• Core: ARM® 32-bit Cortex®-M0 CPU,
frequency up to 48 MHz
• Memories
– 16 to 64 Kbytes of Flash memory
– 8 Kbytes of SRAM with HW parity checking
• CRC calculation unit
• Reset and power management
– Digital and I/O supply: VDD = 2.0 V to 3.6 V
– Analog supply: VDDA = from VDD to 3.6 V
– Power-on/Power down reset (POR/PDR)
– Programmable voltage detector (PVD)
– Low power modes: Sleep, Stop, Standby
– VBAT supply for RTC and backup registers
• Clock management
– 4 to 32 MHz crystal oscillator
– 32 kHz oscillator for RTC with calibration
– Internal 8 MHz RC with x6 PLL option
– Internal 40 kHz RC oscillator
• Up to 55 fast I/Os
– All mappable on external interrupt vectors
– Up to 36 I/Os with 5 V tolerant capability
• 5-channel DMA controller
• One 12-bit, 1.0 µs ADC (up to 16 channels)
– Conversion range: 0 to 3.6 V
– Separate analog supply from 2.4 up to 3.6
• One 12-bit DAC channel
• Two fast low-power analog comparators with
programmable input and output
• Up to 18 capacitive sensing channels
supporting touchkey, linear and rotary touch
sensors
• Up to 11 timers
– One 16-bit 7-channel advanced-control
timer for 6 channels PWM output, with
deadtime generation and emergency stop
– One 32-bit and one 16-bit timer, with up to
4 IC/OC, usable for IR control decoding
– One 16-bit timer, with 2 IC/OC, 1 OCN, deadtime generation and emergency stop – Two 16-bit timers, each with IC/OC and OCN, deadtime generation, emergency stop and modulator gate for IR control – One 16-bit timer with 1 IC/OC – Independent and system watchdog timers – SysTick timer: 24-bit downcounter – One 16-bit basic timer to drive the DAC • Calendar RTC with alarm and periodic wakeup from Stop/Standby • Communication interfaces – Up to two I2C interfaces, one supporting Fast Mode Plus (1 Mbit/s) with 20 mA current sink, SMBus/PMBus and wakeup from Stop mode – Up to two USARTs supporting master synchronous SPI and modem control, one with ISO7816 interface, LIN, IrDA capability, auto baud rate detection and wakeup feature – Up to two SPIs (18 Mbit/s) with 4 to 16 programmable bit frame, one with I2S interface multiplexed • HDMI CEC interface, wakeup on header reception • Serial wire debug (SWD) • 96-bit unique ID • All packages ECOPACK®2
















