LIS3DHTR Accelerometer for Your Projects

Accelerometer X, Y, Z axis ±2g, 4g, 8g, 16g 0.5 Hz ~ 625 Hz 16-LGA (3x3)

 What is LIS3DHTR?

The LIS3DHTRis a compact, low-power, three-axis accelerometer from STMicroelectronics. Measuring just 2.0 x 2.0 x 0.75 mm, it's perfect for adding motion sensing capabilities to your next project, whether it's a wearable device, a drone, or a gaming controller.

 



LIS3DHTR CAD-Model

Symbol

LIS3DHTR symbol

Footprint

LIS3DHTR Footprint

3D-Model

LIS3DHTR 3D


LIS3DHTR Pinout



LIS3DHTR Block Diagram

LIS3DHTR Block diagram

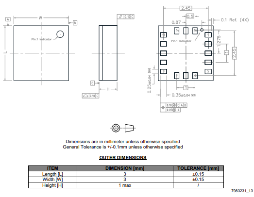
Package Dimesion

package

LIS3DHTR Key Features:

 

Ultra-low power consumption: With a typical operating current of just 2 µA, the LIS3DHTR is ideal for battery-powered applications.

High sensitivity: The accelerometer offers a full-scale range of ±2g, ±4g, ±8g, and ±16g, making it suitable for a wide range of applications.

Multiple output data rates: Choose from data rates ranging from 1 Hz to 5 kHz to optimize performance and power consumption.

I2C and SPI interfaces: The LIS3DHTR supports both I2C and SPI communication protocols, making it compatible with a variety of microcontrollers and development boards.

Embedded self-test functionality: The accelerometer includes a built-in self-test feature for verifying proper operation.

Small size and light weight: The tiny footprint and low weight of the LIS3DHTR make it ideal for space-constrained applications.

 

 Applications:

The LIS3DHTR's versatility makes it suitable for a wide range of applications, including:

 

Wearable devices: Track steps, monitor activity levels, and detect gestures in fitness trackers, smartwatches, and other wearable devices.

Drones and robotics: Control the orientation and movement of drones, robots, and other autonomous vehicles.

Gaming controllers: Enhance the gaming experience with motion-controlled input in gamepads, joysticks, and other gaming peripherals.

Virtual reality (VR) and augmented reality (AR): Track head movements and provide immersive experiences in VR and AR applications.

Navigation and positioning: Assist with navigation and positioning in smartphones, tablets, and other mobile devices.

Industrial automation: Monitor vibration levels and detect machine faults in industrial equipment.

 

 Getting Started:

The LIS3DHTR is easy to integrate into your projects. STMicroelectronics provides a comprehensive development ecosystem, including:

 

Evaluation boards: The STEVAL-MKI109V3 evaluation board allows you to quickly evaluate the LIS3DHTR's features and performance.

Software libraries: STMicroelectronics offers software libraries for various development platforms, including Arduino, STM32Cube, and Keil MDK.

Application notes and documentation: A wealth of application notes and documentation is available to help you get started with the LIS3DHTR.

 

 Conclusion:

The LIS3DHTR is a powerful and versatile accelerometer that can add motion sensing capabilities to a wide range of projects. Its low power consumption, high sensitivity, and small size make it an ideal choice for battery-powered applications and space-constrained designs. With its ease of use and comprehensive development ecosystem, the LIS3DHTR is a great option for both hobbyists and professional engineers.


Related Articles

DRV8908QPWPRQ1 Motor Driver Datasheet,Pinout,Specification

Release time:2024-05-07       Page View:570
DRV8908QPWPRQ1 is a specific model of motor driver integrated circuit (IC) manufactured by Texas Instruments. Send RFQs to Chip Ic Electronics. This post will make you understand DRV8908QPWPRQ1: A Motor Driver for Automotive and Industrial Applications

LIS3DHTR Accelerometer for Your Projects

Release time:2024-05-04       Page View:584
LIS3DHTR Accelerometer for Your ProjectsThe LIS3DHTR is a compact, low-power, three-axis accelerometer from STMicroelectronics. Measuring just 2.0 x 2.0 x 0.75 mm, it's perfect for adding motion sensing capabilities to your next project, whether it's a wearable device, a drone, or a gaming controller.Key Features:Ultra-low power cons...

TMS320F28335PGFA Datasheet, Pinout, Specification

Release time:2024-04-30       Page View:350
TMS320F28335PGFA: A Powerful Microcontroller for Industrial Applications This post will introduce TMS320F28335PGFA Datasheet, Pinout, Specification.

NE555 vs NE5532:Comparison for Electronics Enthusiasts

Release time:2024-04-29       Page View:496
The NE555 and NE5532 are two iconic integrated circuits (ICs) widely used in various electronic applications. Both are versatile and offer a wide range of functionalities, but they also have distinct differences that make them suitable for different purposes. This article delves into a comprehensive comparison of these two popular ICs, focusing on...

​NE5532 vs OPA1612 Op-Amp: Choosing Your Right One

Release time:2024-04-28       Page View:604
Operational amplifiers(op-amps) are essential building blocks in analog circuits, used for amplification, filtering, and various other functions. Choosing the right op-amp for your application can be crucial for achieving optimal performance. In this article, we will compare two popular op-amps, the NE5532 and the OPA1612, highlighting their key feat...

STM32 STM32G070RBT6 Datasheet for Embedded Systems

Release time:2024-04-25       Page View:414
ThispostwillUnleashthePowerofEmbeddedSystemswiththeSTM32G070RBT6MicrocontrollerThe STM32G070RBT6 is a microcontroller.This article delves into the key features, specifications, applications,STM32G070RBT6 Vs STM32H750VBT6.and advantages of this impressive chip.

ADM2587EBRWZ RS-485/RS-422 Transceiver:Datasheet

Release time:2024-04-25       Page View:427
The ADM2587EBRWZis a high-performance, low-power RS-485/RS-422 transceiver from Analog Devices. It features a wide operating voltage range (3V to 5.5V), making it suitable for a variety of applications. This article will delve into the key features, specifications, and applications of the ADM2587EBRWZ.Key FeaturesHigh-speed data...

CH340 vs CP2102 vs CH341 vs FT232 Differences

Release time:2024-04-16       Page View:1193
CatalogWhat is CH340?What isCP2102?What isCH341?What isFT232?CH340 VS CP2102 VS CH341 VS FT232PinoutCH340 VS CP2102 VS CH341 VS FT232CAD-ModelCH340 VS CP2102 VS CH341 VS FT232FeaturesCH340 VS CP2102 VS CH341 VS FT232DifferenceCH340 VS CP2102 VS CH341 VS FT232DiagramCH...

LM324 Op amp Pinout,Datasheet,Spec,Circuit:How to Test LM324?

Release time:2024-04-03       Page View:453
LM324Quad 30-V 1.2-MHz operational amplifierIntroduction:Dear friends, What is thefunction ofLM324?In this article, we will explore the LM324 in detail, including its features, alternative options, applications, package types, and an overview of its working principle. Additionally, we will provide a step-by-step guide on how to test an LM324...

What Is The Difference Between 7812 And 7805?PDF,Price,Pinout

Release time:2024-04-01       Page View:740
LM78XX LM78XXALast time we had talk about the LM7805, today we mainly focus on 7812, comparing 7812 And 7805. Finding 7812 datasheet, 7805 datasheet.LM7812 DescriptionLM7812 DatasheetLM7812 PinoutLM7812 CAD-ModelSymbolFootprint3D-ModelLM7812 Vs LM7805 DifferencesLM7812 Vs LM7805 PriceLM7812 Vs LM7805 Package...

What is the Price of 2N5401?

Release time:2024-03-31       Page View:291
What is 2N5401?The 2N5401 is a general-purpose NPN silicon transistor commonly used in low-power amplificationand switching applications. It is a small, inexpensive, and widely available transistor that is suitablefor use in a variety of electronic circuits.Key Features of 2N5401:NPN bipolar junction transistor (BJT)Maximum collector-emitte...

DS1302: A Versatile Real-Time Clock (RTC) for Embedded Systems

Release time:2024-03-30       Page View:363
IntroductionThe DS1302 is a highly integrated real-time clock (RTC) chip that provides accurate timekeeping for embedded systems. It features a low power consumption, a wide operating voltage range, and a simple interface. This article explores the features, applications, and interfacing of the DS1302.Features* Real-time clock with seconds, minu...
Popular parts number More >
TLV1702AIDGK
Texas Instruments
IC COMPARATOR DUAL 8VSSOP
TPS2331IPWR
Texas Instruments
IC HOT SWAP CTRLR GP 14TSSOP
OP177GPZ
Analog Devices, Inc.
IC OPAMP GP 1 CIRCUIT 8DIP
ULN2003A
STMicroelectronics
IC PWR RELAY 7NPN 1:1 16DIP
UCD1E101MCL1GS
Nichicon
CAP ALUM 100UF 20% 25V SMD
AT27C020-55JU
Microchip Technology
IC EPROM 2MBIT PARALLEL 32PLCC
LPS25HBTR
STMicroelectronics
IC MEMS PRESSURE SENSOR 10HCLGA
E-STE100P
STMicroelectronics
IC TRANSCEIVER HALF 1/1 64TQFP
AM26C32IPWR
Texas Instruments
IC RECEIVER 0/4 16TSSOP
RFQ
BOM