MT41K512M16HA-125 IT:A Datasheet, CAD-Model, Specification
Chip Ic Release time:2023-12-16 Page View:280
MT41K512M16HA SDRAM - DDR3L Memory IC 8Gbit Parallel 800 MHz 13.5 ns 96-FBGA (9x14)
- MT41K512M16HA-125 IT:A Description
- MT41K512M16HA-125 IT:A Pinout
- MT41K512M16HA-125 IT:A CAD Model
- MT41K512M16HA-125 IT:A Features
- MT41K512M16HA-125 IT:A Applications
- MT41K512M16HA-125 IT:A Alternatives
- MT41K512M16HA-125 IT:A Functional Block Diagram
- MT41K512M16HA-125 IT:A Package Dimension
- MT41K512M16HA-125 IT:A Datahseet
- Specifications
- Datasheets
- Product comparison
MT41K512M16HA-125 IT:A Description
DDR3L (1.35V) SDRAM is a low voltage version of the DDR3 (1.5V) SDRAM. Refer to a DDR3 (1.5V) SDRAM data sheet specifications when running in 1.5V compatible mode.
DDR3 SDRAM uses a double data rate architecture to achieve high-speed operation.The double data rate architecture is an 8n-prefetch architecture with an interface designed to transfer two data words per clock cycle at the I/0 pins.A single read or write operation for the DDR3 SDRAM effectively consists of a single 8n-bit-wide, four-clock-cycle data transfer at the internal DRAM core and eight corresponding n-bit-wide, one-half-clock-cycle data transfers at the I/0 pins.
MT41K512M16HA-125 IT:A is a specific variant of the MT41K512M16HA DDR3 SDRAM memory module. Let's break down its identification code:
MT: Micron Technology, the manufacturer.
41: Denotes the generation or series of the memory module.
K: Indicates the memory type, in this case, DDR3 SDRAM.
512M: Represents the density of the memory chip, which is 512 megabits (Mb).
16: Refers to the organization of the memory chip, indicating it has a x16 configuration.
HA: Typically denotes the operating temperature range or other specific features.
The "-125" in MT41K512M16HA-125 ITA indicates the speed grade of the memory module. In this case, "125" refers to a data rate of 125 megatransfers per second (MT/s). Higher data rates generally indicate faster memory performance.
The "ITA" suffix typically represents the part's code or variant for specific purposes or features. Unfortunately, without further information, it is challenging to provide precise details regarding the "ITA" designation. It may indicate a specific revision, package type, or other unique characteristics of the memory module.
Overall, MT41K512M16HA-125 ITA is a variant of the MT41K512M16HA DDR3 SDRAM memory module with a density of 512 megabits organized in a x16 configuration. It operates at a speed grade of 125 MT/s, manufactured by Micron Technology. The "ITA" portion represents a specific variant or code associated with the module, but additional information is necessary to provide more specific details.
MT41K512M16HA-125 IT:A Pinout

![aeb40e406faf785b95e377971e8e3a2f.png HY@$`GER1B[%YS2]`FHID5V](/upload/image/content/20240322/aeb40e406faf785b95e377971e8e3a2f.png)
MT41K512M16HA-125 IT:A CAD Model
Symbol

Footprint

3D-Model

MT41K512M16HA-125 IT:A Features
• VDD = VDDQ = 1.35V (1.283–1.45V)
• Backward compatible to VDD = VDDQ = 1.5V ±0.075V – Supports DDR3L devices to be backward compatible in 1.5V applications
• Differential bidirectional data strobe
• 8n-bit prefetch architecture
• Differential clock inputs (CK, CK#)
• 8 internal banks
• Nominal and dynamic on-die termination (ODT) for data, strobe, and mask signals
• Programmable CAS (READ) latency (CL)
• Programmable posted CAS additive latency (AL)
• Programmable CAS (WRITE) latency (CWL)
• Fixed burst length (BL) of 8 and burst chop (BC) of 4 (via the mode register set [MRS])
• Selectable BC4 or BL8 on-the-fly (OTF)
• Self refresh mode
MT41K512M16HA-125 IT:A Applications
MT41K512M16HA125 IT:A, being a DDR3 SDRAM memory module, can be used in various applications where high-performance and high-density memory is required. Some common applications include:
1. Personal Computers (PCs): The memory module can be used in desktop computers and laptops to provide reliable and fast memory for running applications, multitasking, and storing data.
2. Servers: MT41K512M16HA-125 IT:A can be utilized in server systems to handle intensive computational tasks, manage large databases, and facilitate efficient data storage and retrieval.
3. Workstations: Workstations used in fields such as engineering, design, and multimedia production can benefit from the high-density and speed of this memory module to handle complex tasks and large data sets.
4. Data Centers: In data center environments, where numerous servers are interconnected, the MT41K512M16HA125 IT:A memory modules can enable efficient data processing, virtualization, and handling heavy workloads.
5. Networking Equipment: Routers, switches, and other networking devices often require high-performance memory to process and route data efficiently. The MT41K512M16HA-125 IT:A
module can contribute to the smooth operation of such equipment.
6. Industrial Applications: This memory module can be used in industrial computing systems that require robust and reliable memory to operate in harsh environments and handle critical tasks.
MT41K512M16HA-125 IT:A Alternatives
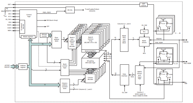
MT41K512M16HA-125 IT:A Functional Block Diagram

MT41K512M16HA-125 IT:A Package Dimension

MT41K512M16HA-125 IT:A Datahseet
Please swipe to the lasst two part for Downloading MT41K512M16HA-125 IT:A datasheets, MT41K512M16HA-125 IT:A specifications and manufacturer documentation.
Specifications
- Manufacturer :
- Micron Technology
- Product Category :
- Memory
- Access Time :
- 13.5ns
- Additional Feature :
- AUTO/SELF REFRESH
- Clock Frequency :
- 800MHz
- ECCN Code :
- EAR99
- Factory Lead Time :
- 4 Weeks
- Height Seated (Max) :
- 1.2mm
- JESD-30 Code :
- R-PBGA-B96
- JESD-609 Code :
- e1
- Length :
- 14mm
- Memory Density :
- 8589934592 bit
- Memory Format :
- DRAM
- Memory Interface :
- Parallel
- Memory Size :
- 8Gb 512M x 16
- Memory Type :
- Volatile
- Memory Width :
- 16
- Moisture Sensitivity Level (MSL) :
- 3 (168 Hours)
- Mounting Type :
- Surface Mount
- Number of Functions :
- 1
- Number of Ports :
- 1
- Number of Terminations :
- 96
- Operating Mode :
- SYNCHRONOUS
- Operating Temperature :
- -40°C~95°C TC
- Organization :
- 512MX16
- Package / Case :
- 96-TFBGA
- Packaging :
- Tray
- Part Status :
- Obsolete
- Published :
- 2015
- Reach Compliance Code :
- not_compliant
- RoHS Status :
- ROHS3 Compliant
- Supply Voltage :
- 1.35V
- Supply Voltage-Max (Vsup) :
- 1.45V
- Supply Voltage-Min (Vsup) :
- 1.283V
- Surface Mount :
- yes
- Terminal Finish :
- Tin/Silver/Copper (Sn/Ag/Cu)
- Terminal Pitch :
- 0.8mm
- Terminal Position :
- BOTTOM
- Voltage - Supply :
- 1.283V~1.45V
- Width :
- 9mm
Datasheets
- Datasheets
- MT41K512M16HA-125 IT:A
Product comparison
-
ImagePart NumberManufacturerToleranceVoltage - RatedProduct StatusPackage / CaseProduct CategoryView Compare
-
-
-
-
96-TFBGA
Memory
-
-
-
-
96-TFBGA
Memory
-
-
-
-
96-TFBGA
Memory
-
-
-
Active
96-TFBGA
Memory
Frequently Asked Questions
-
1,000+Daily Order Quantity
-
2,500,000+Alternative Parts
-
2,200+Worldwide Manufacturers
-
10,000 ㎡In-stock Warehouse
















