MMPF0100F0AEP PMIC Datasheet, Features, Pinout
Chip Ic Release time:2023-12-13 Page View:129
MMPF0100F0AEP: Power Management IC, i.MX6, pre-prog, 10 Bit ADC, 4/6 buck, 6 LDO, 5 boost, QFN 56, Tray
This post is about PMIC(power management integrated circuit) MMPF0100F0AEP which is 14 channel configurable.
MMPF0100F0AEP Overview

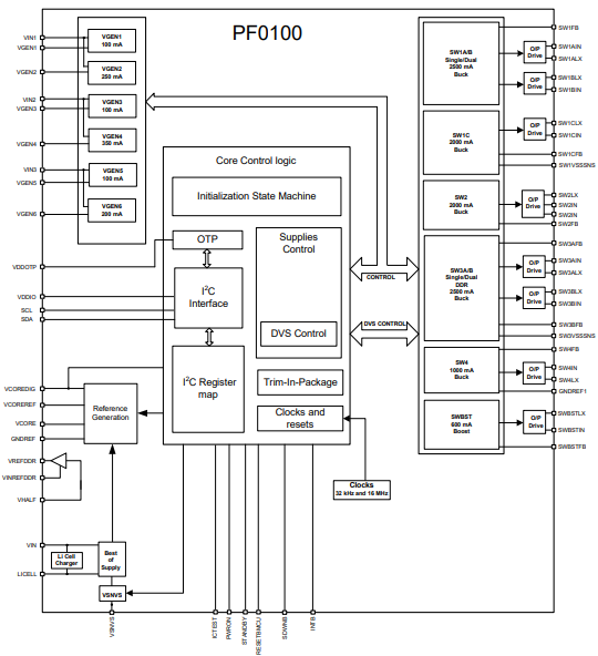
The PF0100 SMARTMOS power management integrated circuit (PMIC) provides a highly programmable/ configurable architecture, with fully integrated power devices and minimal external components. With up to six buck converters, six linear regulators, RTC supply, and coin-cell charger, the PF0100 can provide power for a complete system, including applications processors, memory, and system peripherals, in a wide range of applications. With on-chip one time programmable (OTP) memory, the PF0100 is available in pre-programmed standard versions, or non-programmed to support custom programming. The PF0100 is defined to power an entire embedded MCU platform solution such as i.MX 6 based eReader, IPTV, medical monitoring, and home/factory automation.
MMPF0100F0AEP Pinout

MMPF0100F0AEP CAD-ModelMMPF0100F0AEP CAD-Model
Symbol

Footprint

3D-Model

MMPF0100F0AEP Alternatives
MMPF0100NPEP: A similar power management IC from the same manufacturer, NXP Semiconductors.
TPS65917-Q1: A power management IC from Texas Instruments with similar features and functionality.
BD71847AMWV: Another power management IC from Rohm Semiconductor that can be used as an alternative.
MMPF0100F0AEP Applications
• Tablets
• IPTV
• eReaders
• Set top boxes
• Industrial control
• Medical monitoring
• Home automation/ alarm/ energy management
MMPF0100F0AEP Internal Block Diagram

MMPF0100F0AEP Functional Block Diagram

MMPF0100F0AEP Package

Specifications
- Manufacturer :
- NXP Semiconductors
- Product Category :
- Special Purpose Regulators
- Adjustable Threshold :
- yes
- Analog IC - Other Type :
- POWER SUPPLY SUPPORT CIRCUIT
- Applications :
- Converter, i.MX6
- Base Part Number :
- MMPF0100
- ECCN Code :
- EAR99
- Factory Lead Time :
- 12 Weeks
- Height Seated (Max) :
- 0.9mm
- HTS Code :
- 8542.39.00.01
- JESD-30 Code :
- S-XQCC-N56
- Length :
- 8mm
- Moisture Sensitivity Level (MSL) :
- 3 (168 Hours)
- Mounting Type :
- Surface Mount
- Number of Channels :
- 14
- Number of Functions :
- 1
- Number of Outputs :
- 12
- Number of Terminations :
- 56
- Operating Temperature :
- -40°C~85°C TA
- Package / Case :
- 56-VFQFN Exposed Pad
- Packaging :
- Tray
- Part Status :
- Active
- Peak Reflow Temperature (Cel) :
- 260
- Published :
- 2004
- RoHS Status :
- ROHS3 Compliant
- Supply Voltage :
- 3.6V
- Supply Voltage-Max (Vsup) :
- 4.5V
- Supply Voltage-Min (Vsup) :
- 2.8V
- Surface Mount :
- yes
- Terminal Form :
- NO LEAD
- Terminal Pitch :
- 0.5mm
- Terminal Position :
- QUAD
- Time@Peak Reflow Temperature-Max (s) :
- NOT SPECIFIED
- Voltage - Input :
- 2.8V~4.5V
- Voltage - Output :
- Multiple
- Width :
- 8mm
Datasheets
- Datasheets
- MMPF0100F0AEP
Frequently Asked Questions
what is MMPF0100F0AEP used for ?
The MMPF0100F0AEP is a power management integrated circuit (PMIC) used for various applications such as automotive, industrial, and consumer electronics. It is designed to provide power management solutions for processors, memory, and other system components in a wide range of devices. This PMIC offers features such as voltage regulation, power sequencing, and power monitoring, making it suitable for use in a variety of electronic systems.
-
1,000+Daily Order Quantity
-
2,500,000+Alternative Parts
-
2,200+Worldwide Manufacturers
-
10,000 ㎡In-stock Warehouse
















