TMC5160 vs TMC2209 vs TMC2226 Stepper Motor Drivers Comparison
Chip Ic Release time:2024-01-10 Page View:327
This article is A Comparative Analysis for TMC5160 vs TMC2209 vs TMC2226, which provides diag pin tmc2209
TMC2226BOB: Power Management IC Development Tools Silent stepper motor driver 5 to 36V, up to 1.4A with S/D and UART Interface, 256 Steps, SpreadCycle and Stealthchop2
TMC2226SAT: Motor / Motion / Ignition Controllers & Drivers Silent stepper motor driver 5 to 36V, up to 1.4A with S/D and UART Interface, 256 Steps, SpreadCycle and Stealthchop2
- Introduction
- TMC5160 vs TMC2209 Vs TMC2226 Description
- TMC5160 vs TMC2209 Vs TMC2226 Pinout
- TMC5160 vs TMC2209 Vs TMC2226 CAD-Model
- TMC5160 vs TMC2209 Vs TMC2226 Dimension
- TMC5160 vs TMC2209 Vs TMC2226 Standard Application Circuit
- TMC5160 vs TMC2209 Vs TMC2226 Diagram
- TMC5160 vs TMC2209 Vs TMC2226 Features
- TMC5160 vs TMC2209 Vs TMC2226 Applications
- tmc2209 stealthchop vs spreadcycle
- Conclusion
- Related articles
- Specifications
- Datasheets
- Product comparison
Introduction
Stepper motor drivers play a crucial role in controlling the movement and precision of stepper motors, making them an integral component in various applications such as 3D printers, CNC machines, and robotics. In this article, we will delve into a comparative analysis of three popular stepper motor drivers: TMC5160, TMC2209, and TMC2226. By examining their features, performance, and suitability for different applications, we aim to provide a comprehensive understanding of their capabilities to assist in selecting the ideal driver for your project.

TMC5160 vs TMC2209 Vs TMC2226 Description
1.What is TMC5160?
Motor / Motion / Ignition Controllers & Drivers Stepper motor cDriver 8 to 60V, for external N-Fets with S/D and SPI Interface, 256 Steps, SixPoint ramp controller, CoolStep, StallGuard2, SpreadCycle and StealthChop2
The TMC5160 is a high-performance and versatile stepper motor driver designed by Trinamic. It offers advanced features, making it suitable for demanding applications. Key features of the TMC5160 include:
a. StallGuard4: This feature enables the detection of motor stalls or excessive load conditions without additional hardware, ensuring reliable operation.
b. StealthChop2: TMC5160 incorporates advanced stealthChop2 technology, which provides silent operation and smooth motion at low speeds.
c. High Current Capacity: The TMC5160 can handle higher current ratings, making it suitable for applications that require more torque or power.
d. SPI Interface: It features a Serial Peripheral Interface (SPI) communication interface, allowing for easy integration and control with other microcontrollers or systems.
The TMC5160 / TMC5160A is a high-power stepper motor controller and driver IC with serial communication interfaces. It combines a flexible ramp generator for automatic target positioning with industries'most advanced stepper motor driver. Using external transistors, highly dynamic, high torque drives can be realized. Based on TRINAMICs sophisticated SpreadCycle and StealthChop choppers, the driver ensures absolutely noiseless operation combined with maximum efficiency and best motor torque. High integration, high energy efficiency and a small form factor enable miniaturized and scalable systems for cost effective solutions. The complete solution reduces learning curve to a minimum while giving best performance in class.
2. What is TMC2209?
The TMC2209 microsteps is another popular stepper motor driver manufactured by Trinamic. It is widely used in various consumer-grade applications due to its reliability and cost-effectiveness. Notable features of the TMC2209 include:
a. StealthChop2: Similar to the TMC5160, the TMC2209 also implements advanced stealthChop2 technology, ensuring quiet operation and smooth motion.
b. StallGuard4: It incorporates the StallGuard4 feature, enabling stall detection and load monitoring without additional sensors.
c. Sensorless Homing: With its integrated sensorless homing capability, the TMC2209 can accurately home a stepper motor without relying on external limit switches or sensors.
d. UART Interface: The TMC2209 utilizes a Universal Asynchronous Receiver-Transmitter (UART) interface for communication, providing ease of use and configuration.
The TMC2209 is an ultra-silent motor driver IC for two phase stepper motors. TMC2209 stepper motors pinning is similar to a number of legacy drivers as well as to the TMC2208. TRINAMICs sophisticated StealthChop2 chopper ensures noiseless operation, maximum efficiency, and best motor torque. Bigtreetech tmc2209 v1.3's fast current regulation and optional combination with SpreadCycle allow highly dynamic motion while adding. StallGuard for sensorless homing. The integrated power MOSFETs handle motor currents up to 2A RMS with protection and diagnostic features for robust and reliable operation. A simple to use UART interface opens up tuning and control options. Store application tuning to OTP memory. Industries'most advanced STEP/DIR stepper motor driver family upgrades designs to noiseless and most precise operation for cost-effective and highly competitive solutions.
For information about tmc2209 arduino, you could visit
to find some guide
tmc2209 klipper
3.What is TMC2226?
The TMC2226 is a stepper motor driver from Trinamic that offers a balance between performance and cost-effectiveness. It is often used in applications where lower noise and precise motion control are desired. Key features of the TMC2226 include:
a. StealthChop2: Similar to the other drivers, the TMC2226 incorporates stealthChop2 technology for quiet and smooth operation.
b. CoolStep: The TMC2226 features Trinamic's CoolStep technology, which automatically adjusts the motor current based on the load requirements, reducing power consumption and heat generation.
c. SPI Interface: It utilizes an SPI communication interface, enabling seamless integration with other systems and microcontrollers.
d. Higher Microstep Resolution: The TMC2226 offers a higher microstep resolution, allowing for finer control and smoother movement.
The TMC2226 is an ultra-silent motor driver IC for two phase stepper motors. TRINAMICs sophisticated StealthChop2 chopper ensures noiseless operation, maximum efficiency, and best motor torque. Its fast current regulation and optional combination with SpreadCycle allow highly dynamic motion while adding. StallGuard for sensorless homing. The integrated power MOSFETs handle motor currents up to 2A RMS with protection and diagnostic features for robust and reliable operation. A simple to use UART
interface opens up tuning and control options. Store application tuning to OTP memory. Industries’ most advanced STEP/DIR stepper motor driver family upgrades designs to noiseless and most precise operation
for cost-effective and highly competitive solutions.
TMC5160 vs TMC2209 Vs TMC2226 Pinout

TMC5160 Pinout TMC2209 Pinout TMC2226 Pinout
Please swipe to the lasst two part for Downloading TMC5160 datasheets,TMC2209 datasheets, TMC2226 datasheets, specifications and manufacturer documentation.
TMC5160 vs TMC2209 Vs TMC2226 CAD-Model
TMC5160 Symbol

TMC5160 Footprint

TMC5160 3D-Model

TMC2209 Symbol

TMC2209 Footprint

TMC2209 3D-Model

TMC2226 Symbol

TMC2226 Footprint

TMC2226 3D-Model

TMC5160 vs TMC2209 Vs TMC2226 Dimension
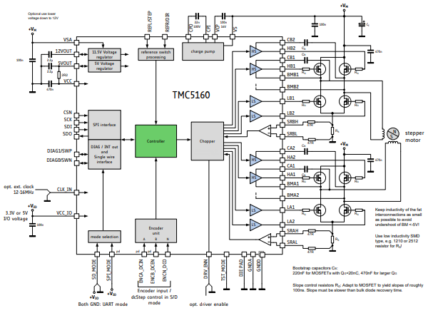
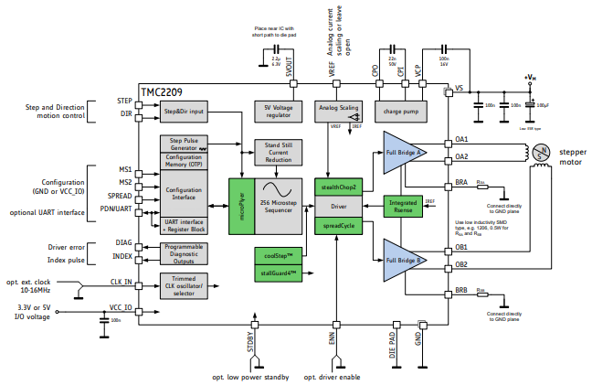
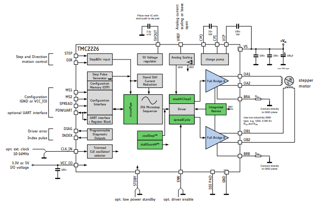
TMC5160 vs TMC2209 Vs TMC2226 Standard Application Circuit

TMC5160

TMC2209

TMC2226
TMC5160 vs TMC2209 Vs TMC2226 Diagram

TMC5160 module

TMC2209 module

TMC2226 module
TMC5160 vs TMC2209 Vs TMC2226 Features
TMC5160
FEATURES AND BENEFITS
2-phase stepper motors from 1 to several 10A coil current
Motion Controller with SixPoint™ ramp
Step/Dir Interface with microstep interpolation MicroPlyer™
Voltage Range 8 … 60V DC
SPI & Single Wire UART
Encoder Interface and 2x Ref.-Switch Input
Highest Resolution 256 microsteps per full step
StealthChop2™ for quiet operation and smooth motion
Resonance Dampening for mid-range resonances
SpreadCycle™ highly dynamic motor control chopper
DcStep™ load dependent speed control
StallGuard2™ high precision sensorless motor load detection
CoolStep™ current control for energy savings up to 75%
Passive Braking and freewheeling mode
Full Protection & Diagnostics
Compact Size 7x7mm2
(body) TQFP48 package / 8x8mm² QFN
TMC2209
FEATURES AND BENEFITS
2-phase stepper motors up to 2.8A coil current (peak), 2A RMS
STEP/DIR Interface with 8, 16, 32 or 64 microstep pin setting
Smooth Running 256 microsteps by MicroPlyer™ interpolation
StealthChop2™ silent motor operation
SpreadCycle™ highly dynamic motor control chopper
StallGuard4™ load and stall detection for StealthChop
CoolStep™ current control for energy savings up to 75%
Low RDSon, Low Heat-Up LS 170mΩ & HS 170mΩ (typ. at 25°C)
Voltage Range 4.75… 29V DC
Low Power Standby to fit standby energy regulations
Internal Sense Resistor option (no sense resistors required)
Passive Braking, Freewheeling, and automatic power down
Single Wire UART & OTP for advanced configuration options
Integrated Pulse Generator for standalone motion
Full Protection & Diagnostics
Compact QFN package with large heat slug
TMC2226
FEATURES AND BENEFITS
2-phase stepper motors up to 2.8A coil current (peak), 2A RMS
STEP/DIR Interface with 8, 16, 32 or 64 microstep pin setting
Smooth Running 256 microsteps by MicroPlyer™ interpolation
StealthChop2™ silent motor operation
SpreadCycle™ highly dynamic motor control chopper
StallGuard4™ load and stall detection for StealthChop
CoolStep™ current control for energy savings up to 75%
Low RDSon, Low Heat-Up LS 170mΩ & HS 170mΩ (typ. at 25°C)
Voltage Range 4.75… 29V DC
Low Power Standby to fit standby energy regulations
Internal Sense Resistor option (no sense resistors required)
Passive Braking, Freewheeling, and automatic power down
Single Wire UART & OTP for advanced configuration options
Integrated Pulse Generator for standalone motion
Full Protection & Diagnostics
Thermally optimized HTSSOP package for optical inspection
TMC5160 vs TMC2209 Vs TMC2226 Applications
TMC5160 APPLICATIONS
APPLICATIONS
Robotics & Industrial Drives
Textile, Sewing Machines
Packing Machines
Factory & Lab Automation
High-speed 3D Printers
Liquid Handling
Medical
Office Automation
CCTV
ATM, Cash Recycler
Pumps and Valves
TMC2209 APPLICATIONS
APPLICATIONS
Compatible Design Upgrade
3D Printers
Printers, POS
Office and home automation
Textile, Sewing Machines
CCTV, Security
ATM, Cash recycler
HVAC
Battery Operated Equipment
TMC2226 APPLICATIONS
Compatible Design Upgrade
3D Printers
Printers, POS
Office and home automation
Textile, Sewing Machines
CCTV, Security
ATM, Cash recycler
HVAC
Battery Operated Equipment
tmc2209 stealthchop vs spreadcycle
I would like to mention TMC2209 in particular. The TMC2209 is a popular stepper motor driver chip used in 3D printers and other motion control applications. It supports both StealthChop and SpreadCycle modes, which are different modes of operation for driving stepper motors. Here's a brief comparison between StealthChop and SpreadCycle on the TMC2209:
1. **StealthChop**:
- **Features**: StealthChop is a silent motor control mode that uses a technology developed by Trinamic. It reduces motor noise and vibration by employing a technique known as stealth chopping, which adjusts the current in the motor windings to minimize noise.
- **Advantages**:
- Significantly quieter operation compared to traditional chopper drivers.
- Suitable for applications where noise reduction is a priority, such as 3D printers operating in quiet environments.
- Lower power consumption at low speeds.
- **Disadvantages**:
- Reduced torque output compared to SpreadCycle mode.
- Limited maximum speed and acceleration compared to SpreadCycle.
2. **SpreadCycle**:
- **Features**: SpreadCycle is a more traditional chopper control mode that provides high torque and good dynamic performance. It is known for its stability and reliability in a wide range of applications.
- **Advantages**:
- Higher torque output, making it suitable for applications requiring more power.
- Better performance at higher speeds and accelerations.
- More stable operation in a broader range of conditions.
- **Disadvantages**:
- Generates more motor noise and vibration compared to StealthChop.
- Not as power-efficient at low speeds as StealthChop.
TMC2209 stealthchop vs spreadcycle, which to choose? You could consider the specific requirements of your application. If noise reduction and low power consumption are critical factors, StealthChop may be preferable. On the other hand, if you prioritize torque output and performance at higher speeds, SpreadCycle might be the better choice. Some applications may benefit from a mix of both modes, using StealthChop for quiet operation during low-speed movements and switching to SpreadCycle for increased performance when needed.
Conclusion
The TMC5160 provides advanced features and higher current capacity, making it suitable for demanding applications. The TMC2209 offers a balance between reliability, cost, and sensorless homing capability, making it a popular choice for consumer-grade applications. The TMC2226, with its focus on noise reduction and precise motion control, is an ideal option for applications that require quieter operation. By understanding the unique features and strengths of each driver, you can make an informed decision based on your project's specific needs.
Related articles
tmc2208 vs tmc2209
tmc2240 vs tmc2209
tmc2225 vs tmc2209
tmc2130 vs tmc2209
tmc2208 vs tmc2209 vs tmc2225
Specifications
- Manufacturer :
- TRINAMIC Motion Control GmbH
- Product Category :
- Motor Drivers, Controllers
- Applications :
- Industrial
- Current - Output :
- 20A
- Factory Lead Time :
- 8 Weeks
- Function :
- Driver - Fully Integrated, Control and Power Stage
- Interface :
- SPI, Step/Direction
- Moisture Sensitivity Level (MSL) :
- 3 (168 Hours)
- Motor Type - Stepper :
- Bipolar
- Mounting Type :
- Surface Mount
- Operating Temperature :
- -40°C~125°C TJ
- Output Configuration :
- Half Bridge (4)
- Package / Case :
- 48-TQFP Exposed Pad
- Packaging :
- Tape and Reel (TR)
- Part Status :
- Obsolete
- RoHS Status :
- ROHS3 Compliant
- Step Resolution :
- 1 ~ 1/256
- Voltage - Load :
- 8V~60V
- Voltage - Supply :
- 8V~60V
Datasheets
- Datasheets
- TMC5160-TA-T
Product comparison
-
ImagePart NumberManufacturerToleranceVoltage - RatedProduct StatusPackage / CaseProduct CategoryView Compare
-
-
-
-
28-VFQFN Exposed Pad
Motor Drivers, Controllers
-
-
-
-
TSSOP-28
Motor Drivers, Controllers
-
-
-
-
48-TQFP Exposed Pad
Motor Drivers, Controllers
Frequently Asked Questions
What is the difference between TMC2209 and TMC2226?
- **TMC2209**: - Integrated stealthChop2 technology for silent motor operation. - SPI and UART communication options. - StallGuard4 for sensorless homing. - SpreadCycle for optimized current control. - **TMC2226**: - Higher output current capability compared to the TMC2209. - SPI communication interface. - StealthChop2 for quiet motor operation. - Compatible with 3D printers and other CNC machines.
What is the difference between tmc5160pro and TMC2209?
- **TMC5160PRO**: - Higher current output capability compared to the TMC2209. - Supports stealthChop2, spreadCycle, and stallGuard4 technologies. - SPI and UART communication interfaces. - Suitable for applications requiring high torque and precision. - **TMC2209**: - Lower cost compared to the TMC5160PRO. - Also supports stealthChop2, spreadCycle, and stallGuard4 technologies. - Typically used in 3D printers and other low- to mid-power applications.
What is the difference between TMC51 60 and TMC2130?
- **TMC5160**: - Higher current output compared to the TMC2130. - SPI and UART communication options. - StealthChop2 and spreadCycle for quiet operation. - Suitable for high-power applications. - **TMC2130**: - StealthChop and spreadCycle for quiet operation. - SPI communication interface. - Sensorless homing with stallGuard. - Typically used in 3D printers and other applications requiring precise motion control.
Which TMC driver is best?
We cannot just mention a perfect one, but here are some factors for your references: Power Requirements: Consider the current output capability of the driver and ensure it meets the requirements of your stepper motor. Communication Interface: Choose a driver with a communication interface$ (SPI, UART, etc.) $that is compatible with your control system. Stealth Operation: If noise level is a concern, look for drivers with stealthChop or stealthChop2 technology for silent motor operation. Precision Control: If precise motion control is important, consider drivers with features like stallGuard for sensorless homing. Cost: Consider your budget and choose a driver that offers the best value for your specific requirements.
what is tmc2209 max current
2A RMS, 2.8A Peak
-
1,000+Daily Order Quantity
-
2,500,000+Alternative Parts
-
2,200+Worldwide Manufacturers
-
10,000 ㎡In-stock Warehouse
















