RJ45 Connector: Color Code, Applications, and Usage Guidelines
The RJ45 connector is an eight-pin standard interface that is used to connect a computer to a local area network (LAN). This article is going to explain what is RJ45 featuring its pinout, specifications, applications, capabilities, alternatives comparison, and more about the RJ45 connector.

An eight-pin standard interface
catalog
· What is RJ45 Connector?
· RJ45 Connector Pinout
· RJ45 Connector Features
· RJ45 Connector Applications
· Specifications
· RJ45 VS CAT5 VS CAT6
· RJ45 VS RJ11
· Where to use RJ45?
· How to Identify RJ45 Interface Color Code?
· RJ45 Connector Dimensions Outline
· RJ45 Connector Manufacturer
· Datasheet PDF
What is RJ45 Connector?
The RJ45 connector is an eight-pin standard interface that is used to connect a computer to a local area network (LAN). Originally designed for telephone conversations, this connector is now utilized in a variety of applications. RJ45 is an abbreviation for Registered Jack-45. The wiring patterns of the jacks, rather than their physical properties, are the subject of registered jack specifications. The term RJ45 has also come to refer to a variety of Ethernet jack connectors. An 8P8C, or 8 Position/8 Contact connector, is a communications cable modular connector, It is also known as an RJ45 unofficially.

RJ45 Connector Pinout
RJ45 Connector Pinout
RJ45 Connector Features
Crimp-on the plug for use with Cat6 solid Ethernet cable
Includes insert to hold wires in place
Gold plated contacts
Clear plastic housing
RJ45 Connector Applications
Factory Automation
Industrial Process Control
Industrial Robotics (fabrication and assembly)
Test and Measurement Systems
Quality Control Systems
Voice over Internet Protocol (VOIP) Systems and Devices
Internet of Things (IOT) Network Devices

Specifications
RJ45 VS CAT5 VS CAT6
RJ45 is an electrical connecting standard that specifies the connector and how the wires are organized at the cable's end, whereas CAT5 is an Ethernet cable standard.
RJ45 is a connection, and CAT6 is a cable, both of which are used to connect computers in an Ethernet network. RJ45 has eight pins: four visible colors and four striped pins, four of which are only used for Ethernet. CAT6 has six pins of various colors, one of which is used to connect Ethernet networking.
RJ45 VS RJ11
RJ45 connectors are often used with Cat5 and Cat6 cables, whereas RJ11 is only used with telephone cables, Switches, cables. PCs, routers, and other devices in a copper cable network can all be connected with RJ45, RJ11 connection switches typically have two sockets for a two-line telephone system.
RJ11 | RJ45 | |
Configuration | 6P4C (6 positions, 4 connectors) | 8P8C (8 positions, 8 connectors) |
Shape and Size | Compact, square-shaped | Longer, more rectangular |
Bandwidth | RJ11 connectors can support about 24Mbps | RJ45 connectors can support 10Gbps over Ethernet. |
Usage | Phones, ADSL lines, modem cables. RJ11 is mostly used for voice applications. | Computer networking. RJ45 is typically used in Ethernets or connecting cable modems with Wi-Fi routers. |
Table for RJ45 VS RJ11
Where to use RJ45?
Ethernet networking relies on RJ45 connectors to transmit voice and data media. They were created as a considerably smaller and less expensive alternative to the older hardwired telephone installation methods. The installation is made easier by the plug-and-play manner. RJ45 is more versatile than RJ11 and can be used for Ethernet networking, telephony, factory automation, and other applications. Ethernet cables, modems, PCs, laptops, printers, and other networking devices are often utilized.
How to Identify RJ45 Interface Color Code?
The two most prevalent wiring techniques for terminating twisted-pair cable onto the connector interface are T568A and T568B. When connecting an RJ45 connector to a cable, the two standards describe how the individual eight wires are arranged. For electrical compatibility, these wiring configurations have their color scheme. The T-568B wiring design is the one that is most often utilized.
The color convention changes between T568A and T568B are depicted in the diagram below.
How to Identify Color code

There are two different types of connectivity for the two standards. A straight-through connection is one in which both ends of the patch cords are wired to the same standard. If not, the link is a crossover. A crossover Ethernet cable with a T-568A connector on one end and a T-568B connection on the other is required for some networking applications. When there is no router, hub, or switch accessible, this type of cable is often used for direct computer-to-computer communications.
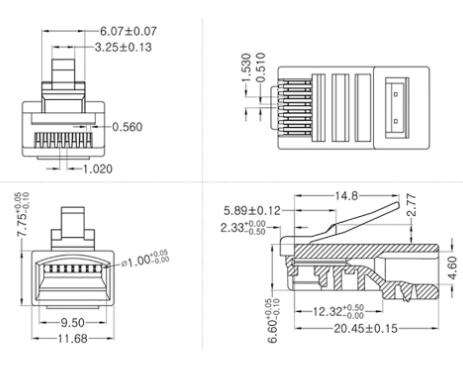
RJ45 Connector Dimensions Outline

RJ45 Connector Dimensions Outline
Datasheet PDF
Download datasheets and manufacturer documentation for HellermannTyton RJ45FC6AS12.
















