L293D & L293DD: Comparison, Datasheet

CDM@AKI~14WM)XALK]QD5R3

1.2A mA 2mA mA 5.1mm mm 7.1mm mm Motor Drivers 16 5V V 4 20mm mm

Hello, my dear friends, the topic of the blogs will be concerning L293D & L293DD, now lets go thought these micro-controller!

 

 

 

Catalog

L293D Description

L293D Pinout

L293D CAD Model

L293D Features

L293D Applications

L293D Block Diagram

L293D Package

L293D & L293DD Difference

Datasheet PDF

Specifications

Product comparison

 

 

 

 

 

 

 

 

 

 

L293D Description

The device is a four-channel monolithic integrated high voltage, high current

driver designed to handle normal DTL or TTL logic levels and drive inductive 

loads (such as relays, solenoids, DC and stepping motors) and switching power

transistors. Each pair of channels has an enable input to facilitate use as two

bridges. The logic has a separate supply input that allows it to operate at a

lower voltage, and internal clamp diodes are included. This device can be used 

in switching applications with frequencies of up to 5 kHz.


 

L293D Pinout

 L293D-PIN

The L-293D has sixteen (16) pins, each with a unique function.

The table below lists all sixteen pins, along with their serial numbers.

 

 

L293D CAD Model

Symbol

L293D-SYMBOL 

Footprint

FOOTPRINT 

 

3D-model

L293D-3dmodel  

L293D Features

600mA OUTPUT CURRENT CAPABILITY

PER CHANNEL

1.2A PEAK OUTPUT CURRENT (non repetitive) PER CHANNEL

ENABLE FACILITY

OVERTEMPERATURE PROTECTION

LOGICAL "0" INPUT VOLTAGE UP TO 1.5 V

(HIGH NOISE IMMUNITY)

INTERNAL CLAMP DIODES

 

L293D Applications

DC motor drivers.

Relay drivers.

Stepper motor drivers.


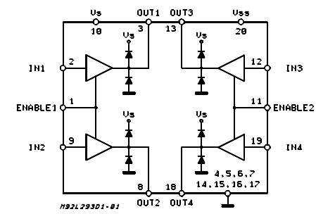
L293D Block Diagram

block diagram 

 

 

L293D & L293DD Difference

L293D Package

 

L293D-package


L293DD Package

 

L293DD-package


  Difference

The L293D is packaged in a 16-lead plastic package with four center pins joined

together for heatsinking. 

The L293DD is packaged in a 20-lead surface mount with 8 center pins joined 

together for heatsinking.


 

 

Datasheet PDF

Please DOWNLOAD the datasheets and manufacturer documentation for the L293D and L293DD.

 

 

Specifications

 

Product comparison

 




Related Articles

DRV8908QPWPRQ1 Motor Driver Datasheet,Pinout,Specification

Release time:2024-05-07       Page View:564
DRV8908QPWPRQ1 is a specific model of motor driver integrated circuit (IC) manufactured by Texas Instruments. Send RFQs to Chip Ic Electronics. This post will make you understand DRV8908QPWPRQ1: A Motor Driver for Automotive and Industrial Applications

LIS3DHTR Accelerometer for Your Projects

Release time:2024-05-04       Page View:580
LIS3DHTR Accelerometer for Your ProjectsThe LIS3DHTR is a compact, low-power, three-axis accelerometer from STMicroelectronics. Measuring just 2.0 x 2.0 x 0.75 mm, it's perfect for adding motion sensing capabilities to your next project, whether it's a wearable device, a drone, or a gaming controller.Key Features:Ultra-low power cons...

TMS320F28335PGFA Datasheet, Pinout, Specification

Release time:2024-04-30       Page View:343
TMS320F28335PGFA: A Powerful Microcontroller for Industrial Applications This post will introduce TMS320F28335PGFA Datasheet, Pinout, Specification.

NE555 vs NE5532:Comparison for Electronics Enthusiasts

Release time:2024-04-29       Page View:490
The NE555 and NE5532 are two iconic integrated circuits (ICs) widely used in various electronic applications. Both are versatile and offer a wide range of functionalities, but they also have distinct differences that make them suitable for different purposes. This article delves into a comprehensive comparison of these two popular ICs, focusing on...

​NE5532 vs OPA1612 Op-Amp: Choosing Your Right One

Release time:2024-04-28       Page View:596
Operational amplifiers(op-amps) are essential building blocks in analog circuits, used for amplification, filtering, and various other functions. Choosing the right op-amp for your application can be crucial for achieving optimal performance. In this article, we will compare two popular op-amps, the NE5532 and the OPA1612, highlighting their key feat...

STM32 STM32G070RBT6 Datasheet for Embedded Systems

Release time:2024-04-25       Page View:412
ThispostwillUnleashthePowerofEmbeddedSystemswiththeSTM32G070RBT6MicrocontrollerThe STM32G070RBT6 is a microcontroller.This article delves into the key features, specifications, applications,STM32G070RBT6 Vs STM32H750VBT6.and advantages of this impressive chip.

ADM2587EBRWZ RS-485/RS-422 Transceiver:Datasheet

Release time:2024-04-25       Page View:384
The ADM2587EBRWZis a high-performance, low-power RS-485/RS-422 transceiver from Analog Devices. It features a wide operating voltage range (3V to 5.5V), making it suitable for a variety of applications. This article will delve into the key features, specifications, and applications of the ADM2587EBRWZ.Key FeaturesHigh-speed data...

CH340 vs CP2102 vs CH341 vs FT232 Differences

Release time:2024-04-16       Page View:1184
CatalogWhat is CH340?What isCP2102?What isCH341?What isFT232?CH340 VS CP2102 VS CH341 VS FT232PinoutCH340 VS CP2102 VS CH341 VS FT232CAD-ModelCH340 VS CP2102 VS CH341 VS FT232FeaturesCH340 VS CP2102 VS CH341 VS FT232DifferenceCH340 VS CP2102 VS CH341 VS FT232DiagramCH...

LM324 Op amp Pinout,Datasheet,Spec,Circuit:How to Test LM324?

Release time:2024-04-03       Page View:453
LM324Quad 30-V 1.2-MHz operational amplifierIntroduction:Dear friends, What is thefunction ofLM324?In this article, we will explore the LM324 in detail, including its features, alternative options, applications, package types, and an overview of its working principle. Additionally, we will provide a step-by-step guide on how to test an LM324...

What Is The Difference Between 7812 And 7805?PDF,Price,Pinout

Release time:2024-04-01       Page View:737
LM78XX LM78XXALast time we had talk about the LM7805, today we mainly focus on 7812, comparing 7812 And 7805. Finding 7812 datasheet, 7805 datasheet.LM7812 DescriptionLM7812 DatasheetLM7812 PinoutLM7812 CAD-ModelSymbolFootprint3D-ModelLM7812 Vs LM7805 DifferencesLM7812 Vs LM7805 PriceLM7812 Vs LM7805 Package...

What is the Price of 2N5401?

Release time:2024-03-31       Page View:290
What is 2N5401?The 2N5401 is a general-purpose NPN silicon transistor commonly used in low-power amplificationand switching applications. It is a small, inexpensive, and widely available transistor that is suitablefor use in a variety of electronic circuits.Key Features of 2N5401:NPN bipolar junction transistor (BJT)Maximum collector-emitte...

DS1302: A Versatile Real-Time Clock (RTC) for Embedded Systems

Release time:2024-03-30       Page View:362
IntroductionThe DS1302 is a highly integrated real-time clock (RTC) chip that provides accurate timekeeping for embedded systems. It features a low power consumption, a wide operating voltage range, and a simple interface. This article explores the features, applications, and interfacing of the DS1302.Features* Real-time clock with seconds, minu...
Popular parts number More >
TLV1702AIDGK
Texas Instruments
IC COMPARATOR DUAL 8VSSOP
TPS2331IPWR
Texas Instruments
IC HOT SWAP CTRLR GP 14TSSOP
OP177GPZ
Analog Devices, Inc.
IC OPAMP GP 1 CIRCUIT 8DIP
ULN2003A
STMicroelectronics
IC PWR RELAY 7NPN 1:1 16DIP
UCD1E101MCL1GS
Nichicon
CAP ALUM 100UF 20% 25V SMD
AT27C020-55JU
Microchip Technology
IC EPROM 2MBIT PARALLEL 32PLCC
LPS25HBTR
STMicroelectronics
IC MEMS PRESSURE SENSOR 10HCLGA
E-STE100P
STMicroelectronics
IC TRANSCEIVER HALF 1/1 64TQFP
AM26C32IPWR
Texas Instruments
IC RECEIVER 0/4 16TSSOP
RFQ
BOM