How to Use MAX13487EESA+T Transceiver Datasheet,Diagram,Features
Chip Ic Release time:2023-12-29 Page View:163
Half-Duplex RS-485-/RS-422- Compatible Transceiver with AutoDirection Control
- Introduction
- MAX13487EESA+T Overview
- MAX13487EESA+T Pinout
- MAX13487EESA+T CAD Model
- MAX13487EESA+T Features
- MAX13487EESA+T Applications
- MAX13487EESA+T Typical Application Circuit
- MAX13487EESA+T Alternatives
- MAX13487EESA+T Functional Block Diagram
- MAX13487EESA+T Package Dimension
- Conclusion:
- Product comparison
Introduction

In the realm of industrial automation, reliable and robust data communication is paramount. One key component that ensures seamless data transfer is the RS-485/RS-422 transceiver. Among the many options available in the market, the MAX13487EESA+T stands out as a versatile and dependable solution. This article delves into the features and benefits of the MAX13487EESA+T transceiver, highlighting its role in facilitating efficient and secure data communication.
MAX13487EESA+T Overview

General Description
The MAX13487E/MAX13488E +5V, half-duplex, ±15kV ESD-protected RS-485/RS-422-compatible transceivers feature one driver and one receiver. The MAX13487E/MAX13488E include a hot-swap capability to eliminate false transitions on the bus during power-up or live insertion.
The MAX13487E/MAX13488E feature Maxim’s proprietary AutoDirection control. This architecture makes the devices ideal for applications, such as isolated RS-485 ports, where the driver input is used in conjunction with the driver-enable signal to drive the differential bus.
The MAX13487E features reduced slew-rate drivers that minimize EMI and reduce reflections caused by improperly terminated cables, allowing error-free transmission up to 500kbps. The MAX13488E driver slew rate is not limited, allowing transmit speeds up to 16Mbps.
The MAX13487E/MAX13488E feature a 1/4-unit load receiver input impedance, allowing up to 128 transceivers on the bus. These devices are intended for halfduplex communications. All driver outputs are protected to ±15kV ESD using the Human Body Model.
The MAX13487E/MAX13488E are available in an 8-pin SO package. The devices operate over the extended -40°C to +85°C temperature range.
MAX13487EESA+T Pinout

MAX13487EESA+T CAD Model
Symbol

Footprint

3D-Model

MAX13487EESA+T Features
1. Superior Performance:
The MAX13487EESA+T transceiver offers outstanding performance, making it ideal for a wide range of industrial applications. With its high-speed data transmission capabilities of up to 20Mbps, it supports quick and efficient communication between devices. The transceiver's low propagation delay and fast slew rate ensure minimal signal distortion, enabling accurate and reliable data transfer.
2. Robust Industrial Design:
Designed specifically for industrial environments, the MAX13487EESA+T transceiver is built to withstand harsh conditions. Its rugged construction ensures resistance to electrostatic discharge (ESD) up to ±15kV, making it highly resilient to external electrical disturbances. Additionally, the transceiver's wide operating temperature range of -40°C to +85°C ensures it can function reliably in extreme temperature conditions.
3. Flexible Transceiver Options:
The MAX13487EESA+T transceiver offers both RS-485 and RS-422 modes, providing flexibility to accommodate various communication requirements. The RS-485 mode allows for multi-drop networks, enabling communication between multiple devices using a single bus. On the other hand, the RS-422 mode supports point-to-point communication, making it suitable for applications where data needs to be transmitted over long distances.
4. Low Power Consumption:
Energy efficiency is a crucial consideration in many industrial applications. The MAX13487EESA+T transceiver addresses this concern by incorporating low power consumption features. Its low supply current of typically 0.34mA during operation and 1µA in shutdown mode ensure minimal power consumption, extending the lifespan of battery-powered devices and reducing overall energy costs.
5. Enhanced Protection Features:
To safeguard data integrity and prevent damage to connected devices, the MAX13487EESA+T transceiver incorporates several protection features. It includes integrated overvoltage protection, which guards against voltage spikes that may occur during power surges or transients. The transceiver's fail-safe receiver ensures that the bus remains in a known state when it is idle, minimizing the risk of data corruption.
6. Easy Integration and Space Efficiency:
The MAX13487EESA+T transceiver is available in a compact SOIC package, making it easy to integrate into space-constrained designs. Its small footprint and compatibility with standard PCB layout practices simplify the integration process, enabling seamless incorporation into existing system designs or new applications.
Benefits and Features
• AutoDirection Saves Space and BOM Cost
• AutoDirection Enables Driver Automatically on
Transmission, Eliminating an Opto or Other
Discrete Means of Isolation
• 8-Pin SO Package
• Robust Protection Features for Telecom, Industrial,
and Isolated Applications
• Hot-Swap Capability to Eliminate False Transitions
on the Bus During Power-Up or Live Insertion
• Extended ESD Protection for RS-485 I/O Pins
(±15kV Human Body Model)
• Options Optimize Designs for Speed or Errorless
Data Transmission
• Enhanced Slew-Rate Limiting Facilitates ErrorFree Data Transmission (MAX13487E)
• High-Speed Version (MAX13488E) Allows for
Transmission Speeds Up to 16Mbps
• 1/4-Unit Load, Allowing Up to 128 Transceivers on
the Bus
MAX13487EESA+T Applications
Isolated RS-485 Interfaces
Utility Meters
Industrial Controls
Industrial Motor Drives
Automated HVAC Systems
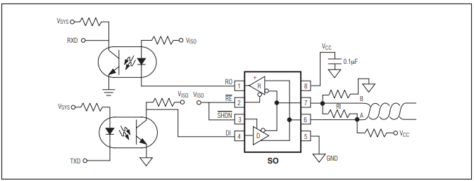
MAX13487EESA+T Typical Application Circuit
MAX13487EESA+T Typical Applications
The MAX13487E/MAX13488E transceivers are designed for half-duplex, bidirectional data communications on multipoint bus transmission lines. Figure 11 shows a typical network application. To minimize reflections, terminate the line at both ends in its characteristic impedance, and keep stub lengths off the main line as short as possible. The slew-rate-limited MAX13487E is
more tolerant of imperfect termination.
Isolated RS-485 Interface
An isolated RS-485 interface electrically isolates different nodes on the bus to protect the bus from problems due to high common-mode voltages that exceed the RS-485 common-mode voltage range, conductive noise, and ground loops.

typical application circuit

Typical Half-Duplex RS-485 Network
MAX13487EESA+T Alternatives
If you are looking for alternatives to the $MAX13487EESA+T$, which is a $RS-485/RS-422 $transceiver, there are several other manufacturers and models you can consider. Here are some alternatives to the $MAX13487EESA+T$:
Texas Instruments:
SN65HVD72: RS-485 transceiver with enhanced ESD protection and low power consumption.
SN65HVD3085E: RS-485 transceiver with 3.3V operation and low power consumption.
SN65HVD485E: RS-485 transceiver with extended temperature range and high ESD protection.
Analog Devices:
ADM2486: RS-485 transceiver with high speed and low power consumption.
ADM2587E: RS-485 transceiver with robust ESD protection and extended temperature range.
STMicroelectronics:
ST485B: RS-485 transceiver with low power consumption and high noise immunity.
ST3485EB: RS-485 transceiver with enhanced ESD protection and wide supply voltage range.
Microchip Technology:
MAX1487: $RS-485/RS-422 $transceiver with low power consumption and high-speed data rates.
MAX485: RS-485 transceiver with low power shutdown mode and wide supply voltage range.
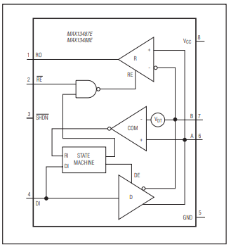
MAX13487EESA+T Functional Block Diagram

MAX13487EESA+T Package Dimension

Conclusion:
The MAX13487EESA+T transceiver is an exceptional choice for reliable RS-485/RS-422 data communication in industrial settings. Its superior performance, robust industrial design, flexible transceiver options, low power consumption, enhanced protection features, and ease of integration make it a preferred solution for a wide range of applications. Whether it's industrial automation, process control, or building management systems, the MAX13487EESA+T transceiver excels in providing efficient, secure, and seamless data communication.
Product comparison
-
ImagePart NumberManufacturerToleranceVoltage - RatedProduct StatusPackage / CaseProduct CategoryView Compare
-
-
-
-
8-SOIC (0.154, 3.90mm Width)
Drivers, Receivers, Transceivers
-
-
-
-
8-SOIC (0.154, 3.90mm Width)
Drivers, Receivers, Transceivers
-
-
-
-
8-SOIC (0.154, 3.90mm Width)
Drivers, Receivers, Transceivers
-
-
-
-
8-SOIC (0.154, 3.90mm Width)
Drivers, Receivers, Transceivers
Frequently Asked Questions
-
1,000+Daily Order Quantity
-
2,500,000+Alternative Parts
-
2,200+Worldwide Manufacturers
-
10,000 ㎡In-stock Warehouse
















