BAV70 Fast Switching Speed Diode: Datasheet, Equivalent

BAV70


Catalog

BAV70 Description

BAV70 Pinout

BAV70 CAD Model

BAV70 Features

BAV70 Applications

BAV70 Alternatives

BAV70 Typical Application Circuit

BAV70 Functional Block Diagram

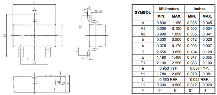
BAV70 Dimension

BAV70 Datasheet PDF

Specifications

Product comparison

 

 

 

 

BAV70  Description

 The BAV70 is a commonly used small signal diode in electronic circuits. It is a dual diode package, consisting of two individual diodes in one package. These diodes are designed for handling small current and voltage levels. Made of semiconductor material, usually silicon, the BAV70 diode allows current flow in one direction while blocking it in the opposite direction. This property makes it useful for rectification, signal processing, and switching purposes. With a low forward voltage drop of around 0.7 volts, the diode only requires a small voltage to conduct current. Additionally, it has fast switching speed and low reverse recovery time, making it suitable for high-frequency applications.


BAV70 Pinout

 

bav70-pinout-chip-ic-logo-image

BAV70 CAD Model

Symbol

 

Symbol

 

Footprint

footprint 

 

3D-model

3d

 

3D1


 

BAV70 Features

• Fast Switching Speed

• Surface Mount Package Ideally Suited for Automated Insertion

• For General Purpose Switching Applications

• High Conductance

• Totally Lead-Free & Fully RoHS Compliant

• Halogen and Antimony Free. “Green” Device

• Qualified to AEC-Q101 Standards for High Reliability

 

SOT23

Material: Molded Plastic. UL Flammability Classification

Rating 94V-0

Moisture Sensitity: Level 1 per J-STD-020

Terminals: Matte Tin Finish Annealed over Alloy 42 Leadframe

(Lead Free Plating). Solderable per MIL-STD-202, Method 208@③)

Polarity: See Diagram

Weight: 0.008 grams (Approximate)

 

BAV70 Applications

High-speed switching

General-purpose switching

 

BAV70 Alternatives

 BAV99: The BAV99 is a dual diode package similar to the BAV70. It combines a high-speed switching diode and a low-leakage diode in a single package. The BAV99 has comparable specifications and is often used as a substitute for the BAV70.

1N4148: The 1N4148 is a popular general-purpose switching diode. While it is not a dual diode package like the BAV70, it can be used in many applications that require fast switching and low leakage current.

BAT54: The BAT54 is a Schottky barrier diode that offers high-speed switching and low forward voltage drop. It comes in a dual diode package and can be used as an alternative to the BAV70 in applications that require similar characteristics.

1N5819: The 1N5819 is a Schottky diode with a low forward voltage drop and fast switching speed. Although it is not a dual diode package, it can be used as a substitute for the Schottky diode in the BAV70.

BAV103: The BAV103 is another dual diode package that combines a high-speed switching diode and a low-leakage diode. It has similar characteristics to the BAV70 and can be used in applications that require dual diode functionality.


BAV70 Typical Application Circuit

 

BAV70 Functional Block Diagram

 

marking diagram


BAV70 Dimension

Mechanical dimension

Datasheet PDF

Please DOWNLOAD the datasheets and manufacturer documentation for the BAV70.

 

Specifications

 

Product comparison

Related Articles

DRV8908QPWPRQ1 Motor Driver Datasheet,Pinout,Specification

Release time:2024-05-07       Page View:583
DRV8908QPWPRQ1 is a specific model of motor driver integrated circuit (IC) manufactured by Texas Instruments. Send RFQs to Chip Ic Electronics. This post will make you understand DRV8908QPWPRQ1: A Motor Driver for Automotive and Industrial Applications

LIS3DHTR Accelerometer for Your Projects

Release time:2024-05-04       Page View:595
LIS3DHTR Accelerometer for Your ProjectsThe LIS3DHTR is a compact, low-power, three-axis accelerometer from STMicroelectronics. Measuring just 2.0 x 2.0 x 0.75 mm, it's perfect for adding motion sensing capabilities to your next project, whether it's a wearable device, a drone, or a gaming controller.Key Features:Ultra-low power cons...

TMS320F28335PGFA Datasheet, Pinout, Specification

Release time:2024-04-30       Page View:369
TMS320F28335PGFA: A Powerful Microcontroller for Industrial Applications This post will introduce TMS320F28335PGFA Datasheet, Pinout, Specification.

NE555 vs NE5532:Comparison for Electronics Enthusiasts

Release time:2024-04-29       Page View:506
The NE555 and NE5532 are two iconic integrated circuits (ICs) widely used in various electronic applications. Both are versatile and offer a wide range of functionalities, but they also have distinct differences that make them suitable for different purposes. This article delves into a comprehensive comparison of these two popular ICs, focusing on...

​NE5532 vs OPA1612 Op-Amp: Choosing Your Right One

Release time:2024-04-28       Page View:628
Operational amplifiers(op-amps) are essential building blocks in analog circuits, used for amplification, filtering, and various other functions. Choosing the right op-amp for your application can be crucial for achieving optimal performance. In this article, we will compare two popular op-amps, the NE5532 and the OPA1612, highlighting their key feat...

STM32 STM32G070RBT6 Datasheet for Embedded Systems

Release time:2024-04-25       Page View:420
ThispostwillUnleashthePowerofEmbeddedSystemswiththeSTM32G070RBT6MicrocontrollerThe STM32G070RBT6 is a microcontroller.This article delves into the key features, specifications, applications,STM32G070RBT6 Vs STM32H750VBT6.and advantages of this impressive chip.

ADM2587EBRWZ RS-485/RS-422 Transceiver:Datasheet

Release time:2024-04-25       Page View:454
The ADM2587EBRWZis a high-performance, low-power RS-485/RS-422 transceiver from Analog Devices. It features a wide operating voltage range (3V to 5.5V), making it suitable for a variety of applications. This article will delve into the key features, specifications, and applications of the ADM2587EBRWZ.Key FeaturesHigh-speed data...

CH340 vs CP2102 vs CH341 vs FT232 Differences

Release time:2024-04-16       Page View:1214
CatalogWhat is CH340?What isCP2102?What isCH341?What isFT232?CH340 VS CP2102 VS CH341 VS FT232PinoutCH340 VS CP2102 VS CH341 VS FT232CAD-ModelCH340 VS CP2102 VS CH341 VS FT232FeaturesCH340 VS CP2102 VS CH341 VS FT232DifferenceCH340 VS CP2102 VS CH341 VS FT232DiagramCH...

LM324 Op amp Pinout,Datasheet,Spec,Circuit:How to Test LM324?

Release time:2024-04-03       Page View:457
LM324Quad 30-V 1.2-MHz operational amplifierIntroduction:Dear friends, What is thefunction ofLM324?In this article, we will explore the LM324 in detail, including its features, alternative options, applications, package types, and an overview of its working principle. Additionally, we will provide a step-by-step guide on how to test an LM324...

What Is The Difference Between 7812 And 7805?PDF,Price,Pinout

Release time:2024-04-01       Page View:748
LM78XX LM78XXALast time we had talk about the LM7805, today we mainly focus on 7812, comparing 7812 And 7805. Finding 7812 datasheet, 7805 datasheet.LM7812 DescriptionLM7812 DatasheetLM7812 PinoutLM7812 CAD-ModelSymbolFootprint3D-ModelLM7812 Vs LM7805 DifferencesLM7812 Vs LM7805 PriceLM7812 Vs LM7805 Package...

What is the Price of 2N5401?

Release time:2024-03-31       Page View:293
What is 2N5401?The 2N5401 is a general-purpose NPN silicon transistor commonly used in low-power amplificationand switching applications. It is a small, inexpensive, and widely available transistor that is suitablefor use in a variety of electronic circuits.Key Features of 2N5401:NPN bipolar junction transistor (BJT)Maximum collector-emitte...

DS1302: A Versatile Real-Time Clock (RTC) for Embedded Systems

Release time:2024-03-30       Page View:369
IntroductionThe DS1302 is a highly integrated real-time clock (RTC) chip that provides accurate timekeeping for embedded systems. It features a low power consumption, a wide operating voltage range, and a simple interface. This article explores the features, applications, and interfacing of the DS1302.Features* Real-time clock with seconds, minu...
Popular parts number More >
TLV1702AIDGK
Texas Instruments
IC COMPARATOR DUAL 8VSSOP
TPS2331IPWR
Texas Instruments
IC HOT SWAP CTRLR GP 14TSSOP
OP177GPZ
Analog Devices, Inc.
IC OPAMP GP 1 CIRCUIT 8DIP
ULN2003A
STMicroelectronics
IC PWR RELAY 7NPN 1:1 16DIP
UCD1E101MCL1GS
Nichicon
CAP ALUM 100UF 20% 25V SMD
AT27C020-55JU
Microchip Technology
IC EPROM 2MBIT PARALLEL 32PLCC
LPS25HBTR
STMicroelectronics
IC MEMS PRESSURE SENSOR 10HCLGA
E-STE100P
STMicroelectronics
IC TRANSCEIVER HALF 1/1 64TQFP
AM26C32IPWR
Texas Instruments
IC RECEIVER 0/4 16TSSOP
RFQ
BOM