AD7606BSTZ ADC: Datasheet, Alternatives, Dimension
Chip Ic Release time:2023-12-01 Page View:151
AD7606BSTZ ADC Simulat Sampliing Bipolar 16 bit I.C.
This post is about AD7606BSTZ Datasheet, Alternatives, Dimension and the comparison between AD7606BSTZ,AD7606BSTZ-RL,AD7606BSTZ-4RL
- Introduction
- AD7606BSTZ Overview
- AD7606BSTZ Pinout
- AD7606BSTZ CAD Model
- AD7606BSTZ Features
- AD7606BSTZ Applications
- AD7606BSTZ Alternatives
- AD7606BSTZ Typical Application Circuit
- AD7606BSTZ Functional Block Diagram
- AD7606BSTZ Package
- AD7606BSTZ Dimension
- How to use the AD7606BSTZ
- AD7606BSTZ vs AD7606BSTZ-RL vs AD7606BSTZ-4RL
- Specifications
- Datasheets
- Product comparison
Introduction
AD7606BSTZ Overview
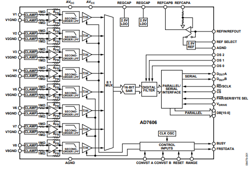
The AD7606BSTZ is a Data Acquisition System(DAS) with eight channels that features a 16-bit bipolar input simultaneous sampling analogue to digital converter (ADC). Analogue input clamp protection, a second-order anti-aliasing filter, a track-and-hold amplifier, a 16-bit charge redistribution successive approximation ADC, a flexible digital filter, a 2.5V reference and reference buffer, and high speed serial and parallel interfaces are all included in each component. It runs on a single 5V supply and can accept 10V and 5V true bipolar input signals while sampling at up to 200kSPS for all channels. The input clamp protection circuitry can withstand voltages as substantial as 16.5V. Regardless of sampling frequency, the AD7606 has a 1MR analogue input impedance. Because of the single supply operation, on-chip filtering, and high input impedance, driver operational amplifiers and external bipolar are not required.
AD7606BSTZ Pinout

AD7606BSTZ CAD Model
Symbol

Footprint

3D-Model

AD7606BSTZ Features
8/6/4 simultaneously sampled inputs
True bipolar analog input ranges: t10V, +5 V
Pin to pin compatible with the state-of-the-art AD7606B
Single 5 V analog supply and 2.3 V to 5 V VoRVE
Fully integrated data acquisition solution
Analog input clamp protection
Input buffer with 1 MQ analog input impedance
Second-order antialiasing analog filter
On-chip accurate reference and reference buffer
16-bit ADC with 200 kSPS on all channels
Oversampling capability with digital filter
Flexible parallel/serial interface
SPI/QSPI*/MICROWIRE"/DSP compatible
Performance
7 kV ESD rating on analog input channels
95.5 dB SNR, -107 dB THD
+0.5 LSB INL, +0.5 LSB DNL
Low power: 100 mW
Standby mode: 25 mW
Temperature range: -40°C to +85°C
64-lead LQFP package
AD7606BSTZ Applications
Power-line monitoring and protection systems
Multiphase motor control
Instrumentation and control systems
Multiaxis positioning systems
Data acquisition systems (DAS)
AD7606BSTZ Alternatives
AD7606BSTZ Typical Application Circuit
AD7606BSTZ Functional Block Diagram

AD7606BSTZ Package
AD7606BSTZ Dimension

How to use the AD7606BSTZ
AD7606BSTZ vs AD7606BSTZ-RL vs AD7606BSTZ-4RL
In terms of functionality and specifications, all three variants (AD7606BSTZ-4RL, AD7606BSTZ-RL, and AD7606BSTZ) are likely to be identical, as they share the same base part number (AD7606). The difference lies primarily in the reel packaging options, with AD7606BSTZ-4RL and AD7606BSTZ-RL being supplied on reels for automated assembly, while AD7606BSTZ may have a different packaging format.
Specifications
- Manufacturer :
- Analog Devices, Inc.
- Product Category :
- ADCs/DACs - Special Purpose
- Base Part Number :
- AD7606
- Contact Plating :
- Tin
- Conversion Time-Max :
- 4μs
- Data Interface :
- DSP, MICROWIRE™, Parallel, QSPI™, Serial, SPI™
- Differential Nonlinearity :
- 0.99 LSB
- ECCN Code :
- EAR99
- Factory Lead Time :
- 16 Weeks
- Height :
- 1.45mm
- Input Capacitance :
- 5pF
- Integral Nonlinearity (INL) :
- 2 LSB
- Interface :
- SPI
- JESD-609 Code :
- e3
- Lead Free :
- Contains Lead
- Length :
- 10.2mm
- Lifecycle Status :
- Production (Last Updated: 2 weeks ago)
- Max Input Voltage :
- 20V
- Max Power Dissipation :
- 142mW
- Min Input Voltage :
- 2.475V
- Moisture Sensitivity Level (MSL) :
- 3 (168 Hours)
- Mounting Type :
- Surface Mount
- Number of Analog In Channels :
- 8
- Number of Bits :
- 16
- Number of Channels :
- 8
- Number of Elements :
- 1
- Number of Functions :
- 1
- Number of Pins :
- 64
- Number of Terminations :
- 64
- Operating Supply Voltage :
- 5V
- Operating Temperature :
- -40°C~85°C
- Output Bit Code :
- 2'S COMPLEMENT BINARY
- Output Format :
- SERIAL, PARALLEL, WORD
- Package / Case :
- 64-LQFP
- Packaging :
- Tray
- Part Status :
- Active
- Pbfree Code :
- No
- Peak Reflow Temperature (Cel) :
- 260
- Pin Count :
- 64
- Polarity :
- Bipolar
- Power Consumption :
- 100mW
- Power Dissipation :
- 100mW
- Qualification Status :
- Not Qualified
- REACH SVHC :
- No SVHC
- Resolution (Bits) :
- 16 b
- RoHS Status :
- ROHS3 Compliant
- Sample and Hold / Track and Hold :
- TRACK
- Sampling Rate :
- 200 ksps
- Sampling Rate (Per Second) :
- 200k
- Signal to Noise Ratio (SNR) :
- 95.5 dB
- Supply Type :
- Analog, Digital
- Supply Voltage :
- 5V
- Surface Mount :
- yes
- Terminal Form :
- Gull wing
- Terminal Pitch :
- 0.5mm
- Terminal Position :
- QUAD
- Time@Peak Reflow Temperature-Max (s) :
- 40
- Type :
- Data Acquisition System (DAS), ADC
- Voltage - Supply :
- 2.3V~5.25V 4.75V~5.25V
- Voltage Supply Source :
- Analog Digital
- Width :
- 10.2mm
Datasheets
- Datasheets
- AD7606BSTZ
Product comparison
-
ImagePart NumberManufacturerToleranceVoltage - RatedProduct StatusPackage / CaseProduct CategoryView Compare
-
-
-
-
64-LQFP
ADCs/DACs - Special Purpose
-
-
-
-
64-LQFP
ADCs/DACs - Special Purpose
-
-
-
-
64-LQFP
ADCs/DACs - Special Purpose
Frequently Asked Questions
-
1,000+Daily Order Quantity
-
2,500,000+Alternative Parts
-
2,200+Worldwide Manufacturers
-
10,000 ㎡In-stock Warehouse
















